手拉葫芦
二维码

手机扫一扫

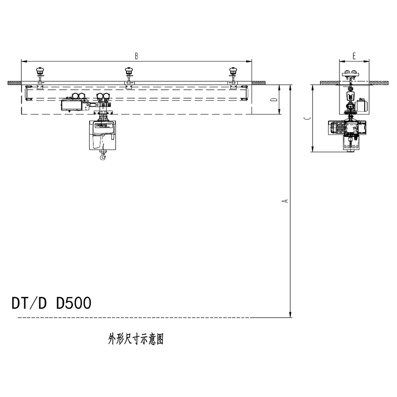
导轨式提升机由行走小车、电动环链葫芦、操作系统等部件组成。工作时,通过操作按钮先将环链放下,与双开口桶对接,按上升按钮,将双开口桶提升、平移至下料位,下料,完成一次操作。



应用行业

药品.png 化工新材料.png 食物.png 生物制药.png

行业认证

ISO9001认证.png GMP生产车间.png 3C认证.png



强大的性能
强大的性能

可以带来强大的力量

免维护
免维护

全密封和免维护

出色的使用寿命
出色的使用寿命

比行业平均寿命长

推荐产品